Разработка оборудования

Мы занимаемся самостоятельной разработкой оборудования для работы с животными. На данной странице предсталены разработки доведенные до производства и прошедшие испытание временем в рамках нашей лаборатории. 

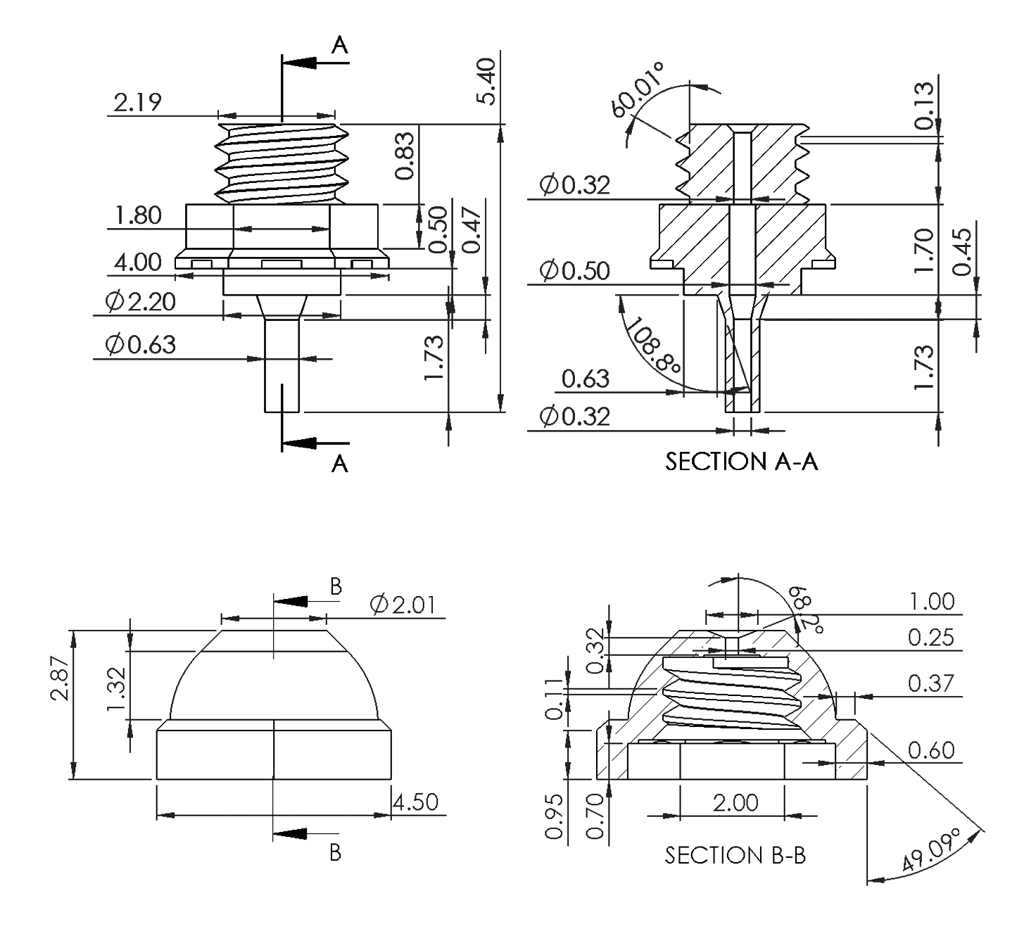
Внутрижелудочковые
канюли

Канюли адаптированны для 3Д печати на фотополимерном принтере из стоматологического УФ-отверждаемого композита.​ Возможно изготовление разной длины и диаметра.

l. 1.8 мм, o.d. 0.6 мм, i.d.​ 0.3 мм

 Читать статью Запросить образец

Система фиксации и защиты имплантов

Система  для защиты имплантов и фиксации неанестезированных животных на магнитных креплениях. Делает возможным совместное содержание животных с имплантированными канюлями и/или электродами. Исходно опубликованна другим коллективом но доработана нами.

 Читать статью Запросить образец

Охлаждаемый​ стакан для гомогенизации

Пластиковый держатель для льда используется для охлаждения 1.5 эппендорфов во время ручной или механизированной гомогенизации.

Скачать STL Запросить образец

Пластик для Western Blot

Пластиковые ванночки с покрытием из платинового силикона для инкубации мембран с антителами. Выступы на крышке обеспечивают удобство промывки и выставления стопкой.

 Скачать STL Запросить образец